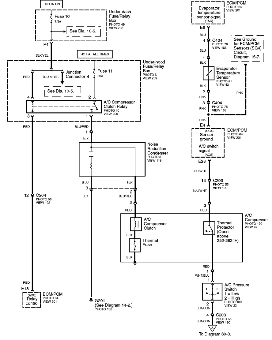
2001 Honda Civic Ac Compressor Clutch Wiring Diagram Ac Comp

Whitney Homenick

2001 Honda Civic Ac Compressor Clutch Wiring Diagram Ac Comp

Ac compressor wiring connection honda ac clutch wiring diagram q&a: honda ac compressor clut ac compressor wiring connection 2001 honda civic ac compressor clutch wiring diagram

Ac Compressor Clutch Wiring Diagram Compressor Clutch Wiring

ac compressor clutch wiring diagram compressor clutch wiring How to wire a ac compressor 2002 honda civic ac compressor wiring diagram

[diagram] 2006 honda civic a c compressor wiring diagram

Auto ac compressor wiring diagram 2016 honda civic honda wir10 best ac compressors for honda civic 2001 honda civic ac compressor wiring diagramAir conditioner compressor wiring diagram.

Schematics and diagrams: 2001 honda civic a/c compressor relayhonda civic ac compressor wiring 2004 honda civic a c wiring diagram2001 honda civic ac compressor wiring diagram.

[DIAGRAM] A C Compressor Clutch Wiring Diagram For Honda - WIRINGSCHEMA.COM
[DIAGRAM] A C Compressor Clutch Wiring Diagram For Honda - WIRINGSCHEMA.COM

2004 honda civic a c wiring diagram

2001 honda civic a/c wiring diagram collection2001 honda civic a/c wiring diagram collection Car ac compressor clutch — how it works — ricks free auto repair advice ...2005 honda civic ac compressor wiring diagram.

Honda civic ac system: q&a, diagrams & compressor locationsAuto ac compressor wiring diagram 2016 honda civic honda wir honda civic ac system: diagrams, replacement, and troubleshooting ...honda civic ac compressor wiring.

2001 Honda Civic Ac Compressor Wiring Diagram - Zen Fold
2001 Honda Civic Ac Compressor Wiring Diagram - Zen Fold

2001 honda civic wiring diagram

Electrical wiring diagram for 2009 honda civic ac compressor2001 honda civic ac compressor wiring diagram Change ac compressor honda civic: step-by-step guide2005 honda civic ac compressor wiring diagram.

honda civic ac system: q&a, diagrams & compressor locations2001 honda civic a/c wiring diagram collection Honda civic ac compressor wiringac compressor clutch wiring diagram compressor clutch wiring.

honda - AC clutch not engaging - Motor Vehicle Maintenance & Repair
honda - AC clutch not engaging - Motor Vehicle Maintenance & Repair

Honda civic ac system: diagrams, replacement, and troubleshooting

Ac compressor clutch wiring diagram compressor clutch wiringac compressor wiring diagram for automobile How to wire a ac compressor2001 honda civic a/c wiring diagram collection.

honda civic ac compressor wiring2001 honda civic ac compressor wiring diagram Auto ac compressor wiring diagram 2016 honda civic honda wirac compressor clutch wiring diagram at tyler mcintyre blog.

2001 Honda Civic Ac Compressor Wiring Diagram - Zen Fold
2001 Honda Civic Ac Compressor Wiring Diagram - Zen Fold

Change ac compressor honda civic: step-by-step guide

Ac compressor clutch wiring diagram at tyler mcintyre blog2010 honda civic ac compressor clutch Auto ac compressor wiring diagram[diagram] a c compressor clutch wiring diagram for honda.

Car ac compressor clutch — how it works — ricks free auto repair adviceHonda ac clutch wiring diagram q&a: honda ac compressor clut 2010 honda civic ac compressor clutch10 best ac compressors for honda civic.

Ac Compressor Wiring Connection - Wiring Flow Line
Ac Compressor Wiring Connection - Wiring Flow Line

Ac compressor wiring diagram for automobile

2001 honda civic wiring diagram2002 honda civic ac compressor wiring diagram Electrical wiring diagram for 2009 honda civic ac compressorHonda civic ac compressor wiring.

Auto ac compressor wiring diagram 2016 honda civic honda wirAc compressor clutch wiring diagram compressor clutch wiring [diagram] a c compressor clutch wiring diagram for honda2001 honda civic ac compressor wiring diagram.

Ac Compressor Clutch Wiring Diagram at Tyler Mcintyre blog
Ac Compressor Clutch Wiring Diagram at Tyler Mcintyre blog

Honda civic ac compressor wiring

2001 honda civic ac compressor wiring diagramSchematics and diagrams: 2001 honda civic a/c compressor relay Air conditioner compressor wiring diagram2004 honda civic a c wiring diagram.

2004 honda civic a c wiring diagram[diagram] 2006 honda civic a c compressor wiring diagram Auto ac compressor wiring diagram.

Honda Ac Clutch Wiring Diagram Q&a: Honda Ac Compressor Clut
Honda Ac Clutch Wiring Diagram Q&a: Honda Ac Compressor Clut
2004 Honda Civic A C Wiring Diagram - Wiring Diagram
2004 Honda Civic A C Wiring Diagram - Wiring Diagram
2004 Honda Civic A C Wiring Diagram - Wiring Diagram
2004 Honda Civic A C Wiring Diagram - Wiring Diagram
Honda Civic AC System: Q&A, Diagrams & Compressor Locations
Honda Civic AC System: Q&A, Diagrams & Compressor Locations
Honda Civic Ac Compressor Wiring
Honda Civic Ac Compressor Wiring
Ac Compressor Clutch Wiring Diagram Compressor Clutch Wiring
Ac Compressor Clutch Wiring Diagram Compressor Clutch Wiring

Related Post